おかげさまで開設25周年RICHMONDUC.COM 創業祭

RICHMONDUC.COM

詳しくはこちら
マイストア マイストア 変更
  • 即日配送
  • 広告
  • 取置可能
  • 店頭受取

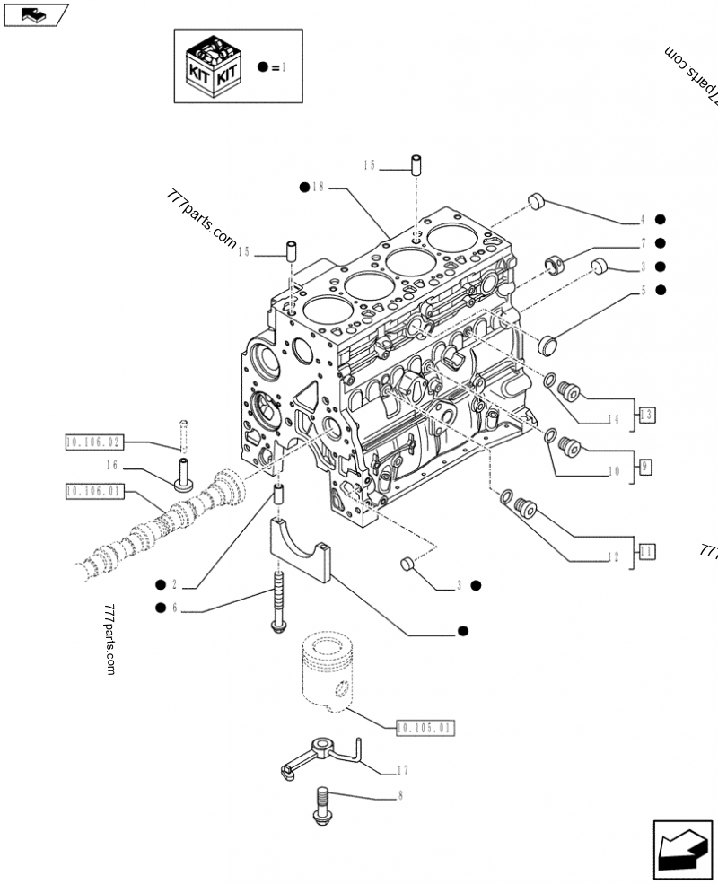
HOT ! 鑢目図  K-019-4BR2 Suzuki ATV 1988 OEM Parts Diagram for CRANKCASE | Partzilla.com

※RICHMONDUC.COM 限定モデル
YouTuberの皆様に商品の使い心地などをご紹介いただいております!
紹介動画はこちら

ネット販売
価格(税込)

8460

  • コメリカード番号登録、コメリカードでお支払いで
    コメリポイント : 1ポイント獲得

コメリポイントについて

購入個数を減らす
購入個数を増やす

お店で受け取る お店で受け取る
(送料無料)

受け取り店舗:

お店を選ぶ

近くの店舗を確認する

納期目安:

13時までに注文→17時までにご用意

17時までに注文→翌朝までにご用意

受け取り方法・送料について

カートに入れる

配送する 配送する

納期目安:

2025.09.22 10:34頃のお届け予定です。

決済方法が、クレジット、代金引換の場合に限ります。その他の決済方法の場合はこちらをご確認ください。

※土・日・祝日の注文の場合や在庫状況によって、商品のお届けにお時間をいただく場合がございます。

即日出荷条件について

受け取り方法・送料について

カートに入れる

欲しいものリストに追加

欲しいものリストに追加されました

鑢目図  K-019-4BR2 Suzuki ATV 1988 OEM Parts Diagram for CRANKCASE | Partzilla.comの詳細情報

Suzuki ATV 1988 OEM Parts Diagram for CRANKCASE | Partzilla.com。Exmark LZAS29KA724 (SN 790,000-849,999) Parts Diagram for。spectrumissue7components.gif。縁金(mm)鍔側:43巻側:42.5横 :23頭金(mm)縦 :40横 :19.5材質:真鍮製
  • Suzuki ATV 1988 OEM Parts Diagram for CRANKCASE | Partzilla.com
  • Exmark LZAS29KA724 (SN 790,000-849,999) Parts Diagram for
  • spectrumissue7components.gif

同じカテゴリの 商品を探す

ベストセラーランキングです

このカテゴリをもっと見る

この商品を見た人はこんな商品も見ています

近くの売り場の商品

このカテゴリをもっと見る

カスタマーレビュー

オススメ度  4.1点

現在、4021件のレビューが投稿されています。